A&B Components

A & B Components Speaker manufacturer

Home >> FAQ > Test condition impact sensitivity of microphone

 

 

Generally speaking, the sensitivity of the microphone will increase when we raise the impedance at 2.2K of RL, the results as the graph 1 & 2.

The sensitivity also rises if we give higher voltage to the microphone, graph 3 & 4.

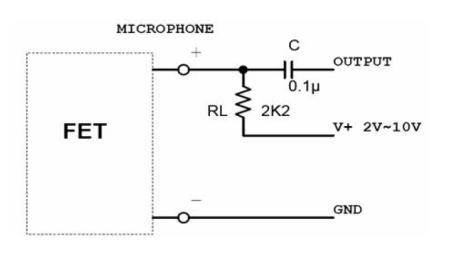
testing circuit

RL = 2.2K / 3.0K

microphone testing 1

RL = 2.2K / 1.0K

microphone testing 2

Voltage = 2V / 4.5V

microphone testing 3

Voltage = 2V / 1.2V

microphone testing 4

Equipment : B&K 2012 + B&K 4227

Microphone : 6.0mm x 2.7mm -42+/-3 dB

 


A & B Components (Taiwan) - Your Acoustic Solution!      Mail us now!!