|
| Items |
|
Units |
Specifications |
Conditions |
| 1 |
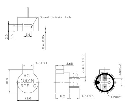
Rated Voltage |
Vo-p |
1.5 |
Vo-p |
| 2 |
Operating Voltage |
Vo-p |
1~3 |
|
| 3 |
Consumption Current |
mA |
Mean 80 |
Applying rated voltage, rated frequency |
| |
|
(Max) |
Peak 240 |
Square wave,1/2 duty subject to standard state. |
| 4 |
Direct Current Resistance |
Ohm |
5.5±1 |
|
| 5 |
Sound Output |
dBA |
85 (min) |
Distance at 30cm,applying rated voltage, rated frequency square
wave, |
| 6 |
Rated Frequency |
Hz |
2731 |
1/2duty subject to standard state. |
| 7 |
Operating Temp. |
℃ |
-30 ~ +75 |
|
| 8 |
Storage Temp. |
℃ |
-40 ~ +85 |
|
| 9 |
Weight |
Gram |
0.9 |
|

A &
B Components Co. Ltd. (Taiwan) - Your Acoustic Solution!
Mail us now!!
|