|
| Items |
|
Units |
Specifications |
|
Conditions |
| 1 |
Rated Voltage |
Vo-p |
3.0 |
|
|
| 2 |
Operating Voltage |
Vo-p |
2.0-5.0 |
|
|
| 3 |
Mean Current |
mA |
80 |
|
Applying rated voltage,rated frequency |
| |
|
(Max) |
|
|
Square wave,1/2 duty subject to standard state. |
| 4 |
Direct Current Resistance |
Ohm |
15 |
|
|
| 5 |
Sound Output |
dBA |
85 |
|
Distance at 10cm,applying rated voltage,rated frequency square wave, |
| |
|
(min) |
|
|
1/2duty subject to standard state. |
| 6 |
Rated Frequency |
Hz |
2731 |
|
|
| 7 |
Operating Temp. |
℃ |
-30 ~ +75 |
|
|
| 8 |
Storage Temp. |
℃ |
-40 ~ +85 |
|
|
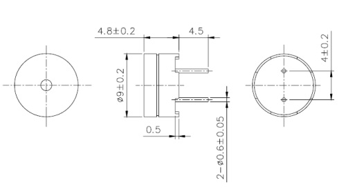
| 9 |
Dimension |
mm |
Φ 9.0 |
Height 4.8 |
See attached drawing. |
| 10 |
Weight |
Gram |
1.0 |
|
|
| 11 |
Terminal |
|
TWO pin |
|
See attached drawing. |

A
& B Components (Taiwan) - Your Acoustic Solution!
Mail us now!!
|