|
| Items |
|
Units |
Specifications |
|
Conditions |
| 1 |
Rated Voltage |
VDC |
6 |
|
Volts D.C. |
| 2 |
Operating Voltage |
VDC |
3 ~9 |
|
Volts D.C |
| 3 |
Mean Current |
mA |
30 (Max) |
|
Applying rated voltage |
| 4 |
Direct Current Resistance |
Ohm |
None |
|
|
| 5 |
Sound Output |
dBA |
85 (min) |
|
Distance at 10cm,applying rated voltage |
| 6 |
Basic Frequency |
Hz |
2200±300 |
|
|
| 7 |
Operating Temp. |
℃ |
-20 ~ +70 |
|
|
| 8 |
Storage Temp. |
℃ |
-30 ~ +80 |
|
|
| 9 |
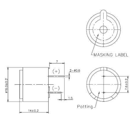
Dimension |
mm |
Φ 16.0 |
Height 14 |
See attached drawing. |
| 10 |
Weight |
Gram |
2 |
|
|
| 11 |
Terminal |
|
Two Pins |
|
See attached drawing. |

A
& B Components (Taiwan) - Your Acoustic Solution!
Mail us now!!
|