A&B Components

A & B Components Speaker manufacturer

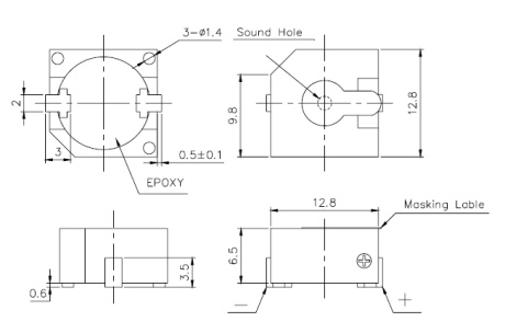
Home >> Magnetic Buzzer > SMD > AD-1305-GUS
Magnetic

 

External Drive Self Drive SMD Mechanical

 

SMD Buzzer SMD Buzzer

  Items Units Specifications
1 Rated Voltage Vo-p 3.0
2 Operating Voltage Vo-p 2 ~ 5
3 Consumption Current mA 90 (max)
4 Sound Pressure Label dB 75 (min)
5 Resonant Frequency Hz 2400
6 Coil Resistance Ω None
7 Operating Temp. -20 ~ +70
8 Storage Temp. -30 ~ +80
9 Weight Gram 2.0
Data Sheet

A & B Components Co. Ltd. (Taiwan) - Your Acoustic Solution!      Mail us now!!