A&B Components

A & B Components Speaker manufacturer

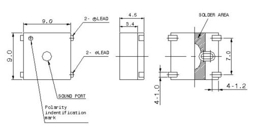
Home >> Magnetic Buzzer > SMD > AD-9004-AW
Magnetic

 

External Drive Self Drive SMD Mechanical

 

SMD Buzzer

SMD Buzzer

  Items Units Specifications
1 Rated Voltage Vo-p 3.6
2 Operating Voltage Vo-p 2.5 ~ 4.5
3 Consumption Current mA 100 (max)
4 Sound Pressure Label dB 85 (min)
5 Resonant Frequency Hz 2670
6 Coil Resistance Ω 16 ± 3
7 Operating Temp. -30 ~ +70
8 Storage Temp. -40 ~ +85
9 Weight Gram 1.0
Data Sheet

A & B Components (Taiwan) - Your Acoustic Solution!      Mail us now!!