|
| ITEM |
CONDITION |
|
| 1 |
Type. |
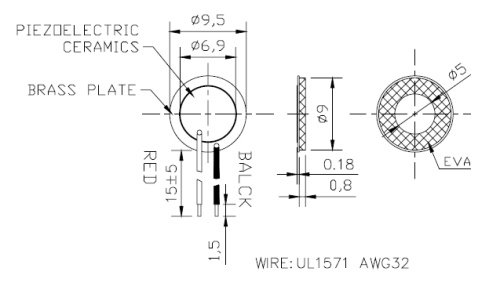
External -drive type sound element |
| 2 |
Resonant Frequency (KHz) |
8.5±1.0 at 25± 2℃, 45~60% RH |
| 3 |
Input Voltage |
30Vp-p Max |
| 4 |
Resonant Impedance (OHM) |
500 OHM Max. at 25± 2℃, 45~60% RH |
| 5 |
Capacity (PF) |
8000±30% at 1000Hz 1Vrms |
| 6 |
Plate Material |
Brass |
| 7 |
Operating Temperature (℃) |
-20 to +60 |
| 8 |
Storage Temperature (℃) |
-20 to +70 |

A &
B Components (Taiwan) - Your Acoustic Solution!
Mail us now!!
|