|
| ITEM |
|
CONDITION |
| 01 |
Type. |
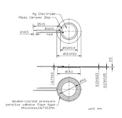
External -drive type sound element |
| 02 |
Resonant Frequency (KHz) |
5.8±0.8 at 25±2℃, 45~60% RH |
| 03 |
Resonant Impedance (OHM) |
800 OHM Max. at 25± 2℃, 45~60% RH |
| 04 |
Capacity (PF) |
10,000±30% at 1.0KHz 1Vrms |
| 05 |
Plate Material |
Brass |
| 06 |
Lead Wire Spec. |
Awg32, UL1571 |
| 07 |
Operating Temperature (℃) |
-20 to +60 |
| 08 |
Storage Temperature (℃) |
-20 to +70 |

A &
B Components (Taiwan) - Your Acoustic Solution!
Mail us now!!
|