A&B Components

A & B Components Speaker Manufacturer

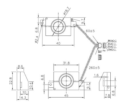
Home >> Speaker > Cabinet / Box > AS-3223143E04-C1C
others

 

Round 10-28mm 29mm above Rectangular Box

 

Cabinet Speaker Speaker Box

ITEM   SPECIFICATIONS
1 Type Dynamic speaker
2 Dimension External diameter 31.8*22.8 mm
3 Rated Input Power 1.0 W
4 Impedance 4 ohm ± 15% at 3K Hz
5 Resonance Frequency (Fo) 1200 Hz ± 20% at Fo, 1V
6 Sensitivity (S.P.L.) 73dB(W/m) ± 3 dB at AVE 1.2K,1.6K ,2.0K,3K Hz.
    92dB(1.0W/0.1m) ± 3 dB
7 Frequency Range Fo – 18KHz
8 Total Harmonics Distortion Less than 8 % at 1 KHz.
9 Max. Input Power Must be normal at 2.0W white noise for 1 minute.
10 Voice Coil Diameter 9.0 mm
11 Magnet Rare earth permanent (Nd-Fe-B) magnet Φ8 x 1.5mm
12 Weight 32g ± 5g
13 Appearance Should not exist any obstacle to be harmful to normal operation; damages, cracks, rusts and distortions, etc.
14 Operation Test Must be normal at program source 1.0W
15 Buzz, Rattle, etc. Should not be audible at 2.0V sine Wave between Fo to 20KHz
16 Polarity When positive voltage is applied to the terminal marked (+), diaphragm should move to the front.
17 Terminal Strength Capable of withstand 1kg load for 30 seconds without resulting in any damage or rejection.
18 Temperature Operating temperature: -20℃ to +60℃
    Storage temperature: -30℃ to +70℃

ResponseData Sheet


A & B Components (Taiwan) - Your Acoustic Solution!      Mail us now!!