|

| ITEM |
|
SPECIFICATIONS |
| 1 |
Type |
Dynamic speaker |
| 2 |
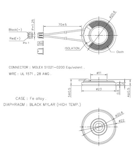
Dimension |
External diameter 23 mm |
| 3 |
Rated Input Power |
1.0 W |
| 4 |
Max. Input Power |
2.0 W for 1 minute. |
| 5 |
Impedance |
8 ohm ± 15% at 2 KHz |
| 6 |
Resonance Frequency (Fo) |
820 Hz ± 20% at Fo, 1V |
| 7 |
Sensitivity (S.P.L.) |
88dB(0.1W/0.1m) ± 3 dB at AVE 1.0K,1.2K,1.6K,2.0K Hz. |
| |
|
97dB(1W/0.1m) ± 3 dB |
| 8 |
Frequency Range |
Fo – 5K Hz |
| 9 |
Total Harmonics Distortion |
Max 8 % at 1 KHz,1.0W. |
| 10 |
Voice Coil |
Diameter 9 mm |
| 11 |
Magnet |
Rare earth permanent (Nd-Fe-B) magnet Φ8.2 x 1.2mm |
| 12 |
Weight |
8.5g ± 0.5g |
| 13 |
Appearance |
Should not exist any obstacle to be harmful to normal operation;
damages, cracks, rusts and distortions, etc. |
| 14 |
Operation Test |
Must be normal at program source 1.0W |
| 15 |
Buzz, Rattle, etc. |
Should not be audible at 2.83V sine Wave between Fo to 20KHz |
| 16 |
Polarity |
When positive voltage is applied to the terminal marked (+), diaphragm
should move to the front. |
| 17 |
Terminal Strength |
Capable of withstand 1kg load for 30 seconds without resulting in
any damage or rejection. |
| 18 |
Temperature |
Operating temperature: -30℃ to +70℃ |
| |
|
Storage temperature: -40℃ to +85℃ |
 
A &
B Components Co. Ltd. (Taiwan) - Your Acoustic Solution!
Mail us now!!
|