A&B Components

A & B Components

Home >> Speaker > 29mm above > AS-3651B04-B1T
Speaker
others

 

Round 10-28mm 29mm above Rectangular Box

 

Micro Speaker Paper Speaker

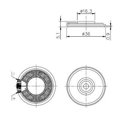
1 Type Dynamic speaker
2 Dimension External diameter 36 mm
3 Rated Input Power 0.7W
4 Impedance 4 ohm ± 15% at 1500Hz.
5 Resonance Frequency (Fo) 460 Hz ± 20% at Fo, 1V
6 Sensitivity (S.P.L.) 83dB(W/m) ± 3 dB at AVE 1K - 2K(Hz).
    100dB(0.7W/0.1m) ± 3 dB
7 Frequency Range Fo – 5KHz
8 Distortion Less than 10 % at 1500Hz ,0.7 W.
9 Max. Input Power Must be normal at 0.8W white noise for 1 minute.
10 Voice Coil Diameter 13.5 mm.
11 Magnet Rare earth permanent (NdFeB) magnet Φ12.5 X 1.5 mm .
12 Weight 7.4g ± 0.6g.
13 Appearance Should not exist any obstacle to be harmful to normal operation; damages, cracks, rusts and distortions, etc.
14 Operation Test Must be normal at program source 0.7W
15 Buzz, Rattle, etc. Should not be audible at 1.67V sine Wave between Fo to 20KHz
16 Polarity When positive voltage is applied to the terminal marked (+), diaphragm should move to the front.
17 Terminal Strength Capable of withstand 1kg load for 30 seconds without resulting in any damage or rejection.
18 Load Test 0.7 W white noise is applied for 96 hours and satisfy the test listed on item 05,06,13,15
19 High Temp. Test Keep 96 hours at +70℃±3℃ and leave 3 hours in normal temperature and then check
20 Low Temp. Test Keep 96 hours at -20℃±3℃ and leave 3 hours in normal temperature and then check
21 Humidity Test Keep 96 hours at + 60℃±3℃ relative humidity 95% and leave 3 hours in normal temperature and then checked.

ResponseData Sheet


A & B Components (Taiwan) - Your Acoustic Solution!      Mail us now!!