A&B Components

A & B Components Speaker manufacturer

Home >> Related > Rubber Holder 6.0 mm

 

9.7 mm 6.0 mm 4.0 mm

 

Home

 

 

For 6.0mm Microphone

FOR 6.0 * 1.8 mm  |  Rubber Holder JT-042

Holder for Microphone Rubber Holder

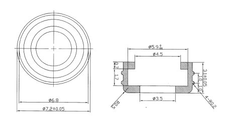
FOR 6.0 * 2.2 mm  |  Rubber Holder JT-018

Holder for Microphone Rubber Holder

FOR 6.0 * 2.2 mm  |  Rubber Holder JT-059

Holder for Microphone Rubber Holder

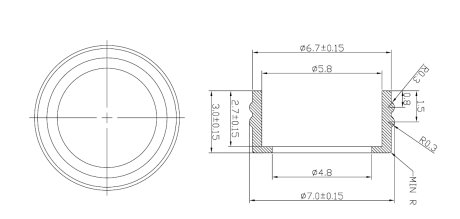
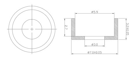
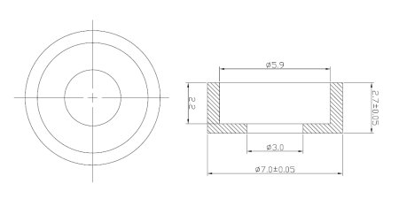
FOR 6.0 * 2.7 mm  |  Rubber Holder JT-012

Holder for Microphone Rubber Holder

FOR 6.0 * 2.7 mm  |  Rubber Holder JT-038

Holder for Microphone Rubber Holder

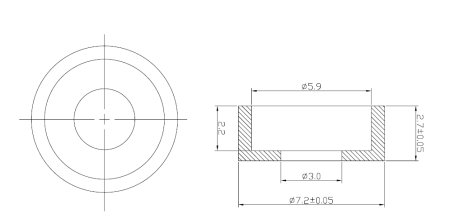
FOR 6.0 * 2.7 mm  |  Rubber Holder JT-060

Holder for Microphone Rubber Holder

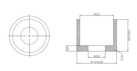
FOR 6.0 * 5.0 mm  |  Rubber Holder JT-058

Holder for Microphone Rubber Holder


A & B Components (Taiwan) - Your Acoustic Solution!      Mail us now!!