A&B Components

A & B Components Speaker manufacturer

Home >> Related > Rubber Holder 9.7mm

 

9.7 mm 6.0 mm 4.0 mm

 

Home

 

 

For 9.7mm Microphone

 

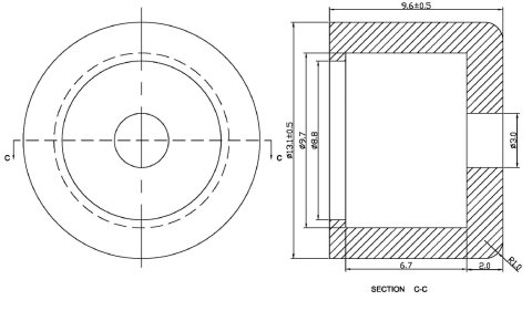
FOR 9.7*6.7mm  |  Rubber Holder JT-032

Holder for Microphone

Rubber Holder

FOR 9.7*6.7mm  |  Rubber Holder JT-075

Holder for Microphone

Rubber Holder


A & B Components (Taiwan) - Your Acoustic Solution!      Mail us now!!